Home British Cars Repair

The Complete Official 1275cc
Austin-Healey Sprite / MG Midget:
1967, 1968, 1969, 1970,
1971, 1972, 1973, 1974

Includes Driver's Handbook and Workshop Manual

by British Leyland Motors

Hardcover, 8 1/2 in. x 11 in.
400 pages
411 illustrations and diagrams
ISBN-13: 978-0-8376-1748-0
Price: $110.00

Originally published in 1975, The Complete Official 1275 cc Austin-Healey Sprite / MG Midget: 1967-1974 was prepared in close cooperation with British Leyland Motors in order to provide complete, authentic maintenance and repair information. The Driver's Handbook at the beginning of this manual is similar to the handbook that was provided with every new 1275 cc Sprite and Midget. The Workshop Manual, making up the larger part of this book, is the official factory manual and was originally intended for use by dealer service departments. The publisher has incorporated additional factory procedures and specifications that have become available following the publication of the original factory information.

Includes:

  • Official Austin-Healey Sprite / MG Midget Driver's Handbook
  • Official Austin-Healey Sprite / MG Midget Workshop Manual
  • Official Austin-Healey Sprite / MG Midget Workshop Manual Supplement (Engine Emission Control)

This manual contains emission control information that applies specifically to 1275 cc Sprite and Midget vehicles manufactured for the United Kingdom and North American markets, and an illustrated catalog of special tools. Including accurate and comprehensive service information for 1967-1974 1275 cc Sprite and Midget vehicles, this manual is an indispensable resource for both the professional mechanic and the 1275 cc Sprite and Midget enthusiast.

This manual is an accurate and comprehensive set of service information for 1275 cc Sprite and Midget models sold in the UK and North America during the model years 1967-1974.

click to enlarge, and for longer caption if available
Fitting the armature guide plate, page 117.
click to enlarge, and for longer caption if available
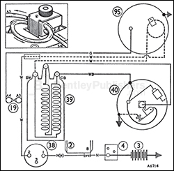
Impulse tachometer circuit, page 228.
click to enlarge, and for longer caption if available
Steering rack assembly dimensions, page 169.
Cmp Off 1275cc Sprite Midget 67-74
Cmp Off 1275cc Sprite Midget 67-74
BSIN: X027
ISBN: 978-0-8376-1748-0 (ISBN-10)
ISBN: 978-0-8376-1748-0 (ISBN-13)
Permalink: http://www.bentleypublishers.com/c/X027
Associated Vehicles

This product is related to the following vehicles: