Cart
Account
Home
Porsche
Repair
Porsche 911 Carrera: 1984-89 Manual
Porsche 911 Carrera
Service Manual:
1984, 1985, 1986,
1987, 1988, 1989
by
Bentley Publishers
Price:
$169.95
Add to Cart
Main Product Page
Table of Contents
Index
Front Cover
Back Cover
Reviews
Vehicle Images
Corrections
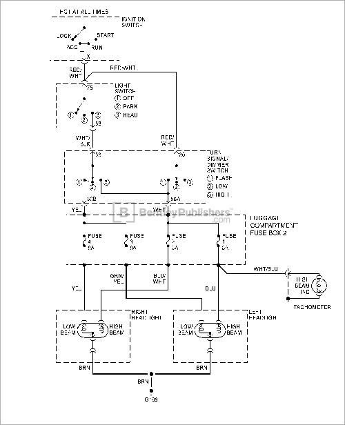
970 Electrical Wiring Diagrams
Electrical wiring diagrams for the models covered in this manual.
Browse
<< prev
Porsche
next >>