Home Triumph Repair Comp Off Triumph TR6 & 250 1967-76
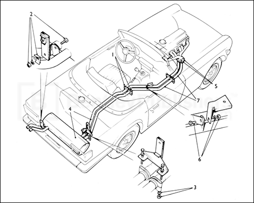
Diagram of exhaust system with enlarged details, page 253.

Page 253
Diagram of exhaust system with enlarged details